Thông số kỹ thuật
| Tên Sản Phẩm | Chậu đặt bàn CD19 |
|---|---|
| Thương hiệu | Viglacera |
| Phòng | Phòng tắm |
| Sản xuất tại | Việt Nam |
| Chất liệu | Sứ |
| Phong Cách | Modern - Hiện đại |
| Màu sắc | Trắng |
Mô tả sản phẩm
Chậu đặt bàn CD19
Mã sản phẩm: CD19
Chậu đặt bàn CD19 với thiết kế viền mỏng thời trang, góp phần gia tăng tính thẩm mỹ cho không gian nhà tắm. Chất liệu sứ cao cấp cùng công nghệ men Nano Titan, giúp bề mặt chậu luôn sáng bóng và ngăn bám bẩn.

Những tính năng nổi bật
- Thiết kế đơn giản, với kiểu dáng tròn đặt trên bàn đá.
- Lỗ đặt vòi cũng được thiết kế trên chậu để thuận tiện hơn.
- Lòng chậu sâu, rộng rãi giúp thoải mái khi sử dụng.
- Thiết kế với lỗ thoát tràn.
- Men Nano Titan kháng khuẩn, chống bám dính, hạn chế vi khuẩn và nấm mốc
Công nghệ men Nano Titan kháng khuẩn
Công nghệ men Nano Titan độc quyền của Viglacera được sản xuất theo công nghệ châu Âu, lần đầu tiên có mặt tại Việt Nam. Lớp men phủ bạc trên bề mặt sản phẩm vừa có công dụng kháng khuẩn, vừa có khả năng chống thấm, chống bám dính, tự làm sạch hiệu quả.
Đặc biệt, lớp men được thủy tinh hóa gắn chặt lên bề mặt sản phẩm, giữ cho lớp men bền lâu và chống bị rửa trôi.
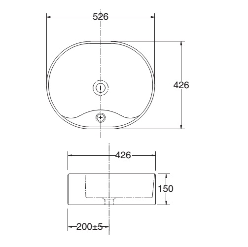
Bản vẽ kỹ thuật

Đánh giá sản phẩm
0
Hỏi đáp
Tạo câu hỏi
